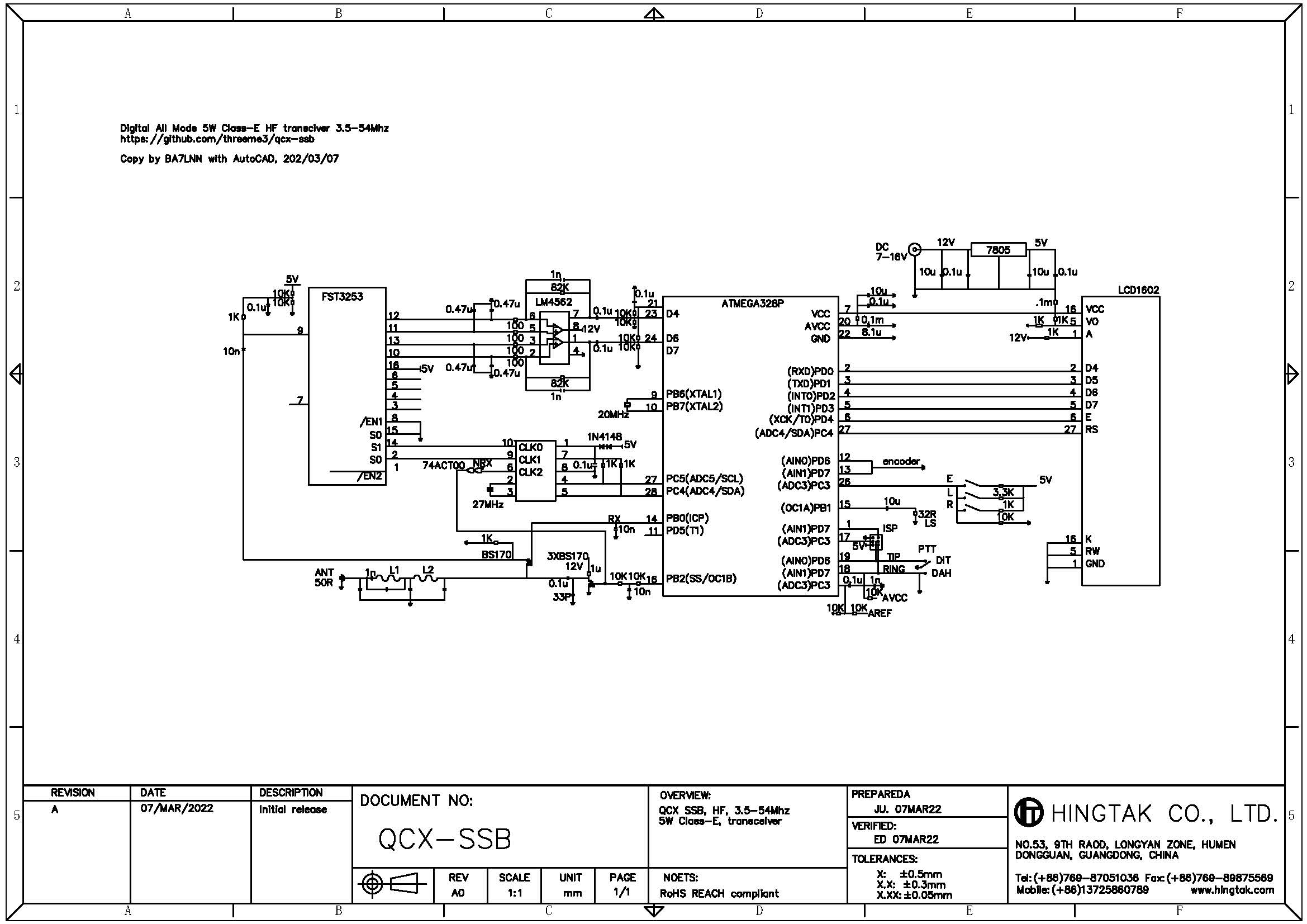
Digital all mode 5W Class-E HF transceiver 3.5-54 Mhz!
07 Mar 2022copy from threeme3 QCX-SSB PCB schement
URL: https://github.com/threeme3/QCX-SSB

PDF Download here:
copy from threeme3 QCX-SSB PCB schement
URL: https://github.com/threeme3/QCX-SSB

PDF Download here: